0.96 inch IPS TFT LCD SPI serial port HD 80×160
Superior display quality, whole viewing angle, super wide viewing angle, and easily controlled by MCU such as 8051, PIC, AVR, ARDUINO, ARM and Raspberry PI ST7735S supports RGB444, RGB565 and RGB666 three formats.
Out of stock
Want to be notified when this product is back in stock?
0.96 inch IPS TFT LCD SPI serial port HD 80×160 is a general IPS screen with an embedded controller communicating via the SPI interface.
Examples are compatible with Raspberry Pi (bcm2835, wiringPi and python), STM32 and Arduino.
The ST7735S is a controller for 162 x RGB x132 LCD. Note that the resolution of this LCD module is 160(H)RGBx80(V) indeed.
ST7735S supports RGB444, RGB565 and RGB666 three formats. In this LCD module.
Because the first pixel of the LCD is different from the origin point of the controller, therefore, we should offset the position when initializing the module:
Horizontal: begin from the second pixel; Vertical: begin from the 27th pixel. Ensure that the LCD display position is the same as RAM.
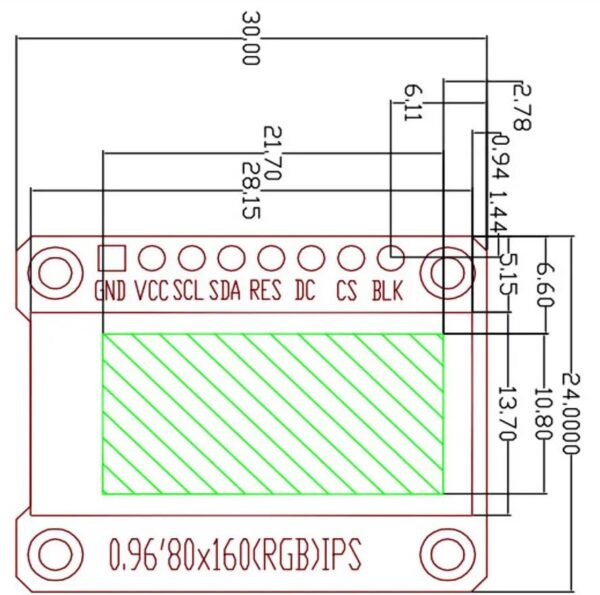
Specifications:
- SIZE 0.96inch
- Display Mode Normally black IPS
- Display Format Graphic 80 RGB x 160 Dot-matrix
- Input Data SPI interface
- Drive IC ST7735S
- Dimensional outline 24(W) x30 (H) x2.8+/-0.1(T)mm
- Resolution 80RGB x160 Dots
- LCD Active area 10.8 (W) x21.7 (H)
- Dot pitch 0.135 (H) x 0.1356 (V) mm
- Viewing Direction All View
- Operating Temperature -20~70°
Pin Descriptions:
- PIN No Symbol Description
- 1 GND Ground
- 2 VCC Power 3.3V
- 3 SCL Serial clock pin.
- 4 SDA Serial data input
- 5 RES LCM Reset pin. This pin is reset signal input. When the pin is low, the initialization of the chip is executed. Keep this pin pull high during normal operation.
- 6 DC Data/Command Control
- 7 CS Chip Select
- 8 BLK Backlight control pin
Package included: 1 x 0.96 inch IPS TFT LCD SPI serial port HD 80×160
Check out our On Sale and Clearance Items
Development Resources: demo codes, schematics, datasheets, etc
Tutorial – Using the 0.96″ 80 x 160 Full-Color IPS LCD Module with Arduino
Hackaday serves up Fresh Hacks Every Day from around the Internet.
![]()
Instructables is a community for people who like to make things. Explore, share, and do your next project with us!
Where the world builds software
Raspberry Pi Foundation What would you like to make today?
Arduino‘s mission is to enable anyone to enhance their lives through accessible electronics and digital technologies.
![]()
Wikipedia is a free online encyclopedia created and edited by volunteers worldwide and hosted by the Wikimedia Foundation.
Notes:
1. There may be slight size deviations due to manual measurement, different measuring methods and tools.
2. The picture may not reflect the actual colour of the item because of different photographing lights, angles and display monitors.
| Weight | 0.065 kg |
|---|---|
| Dimensions | 7.5 × 5.2 × 1 cm |
Product Applications
Current Product Support
| SKU | Product | Type | Download/View |
|---|---|---|---|
| TS-S036 | 0.96 inch IPS TFT LCD SPI serial port HD 80×160 - 0.96 Inch IPS TFT Module | Datasheet | Download |













