AMS1117-3.3 Voltage Regulator – 1A SOT-223
AMS1117-3.3 V Voltage Regulator Low Drop Out +3.3V – 1A SOT-223 fixed low dropout voltage Regulator with a dropout voltage of 1.3V at 1000mA
Price range: $1.95 through $3.95

This item: AMS1117-3.3 Voltage Regulator - 1A SOT-223
Price range: $1.95 through $3.95
Price range: $1.95 through $3.95
Description
Additional information
Applications
Support & Utility
Q & A
AMS1117-3.3 Voltage Regulator Low Drop Out +3.3V – 1A SOT-223 is a fixed low dropout voltage Regulator with a dropout Voltage of 1.3V at 1000mA load current. It offers current limiting and thermal shutdown and includes a Zener bandgap reference to ensure output voltage Accuracy within ±1%.
Specifications: |
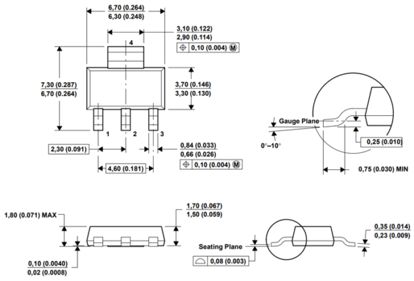
Note: Key Size differences Example: SOT-89 4.5 × 2.5 mm Vs SOT-223 6.5 × 3.5 mm. |
Package Includes: |
|
Check out our Clearance and on-sale items.
Development Resources: Demo Codes, Schematics, Datasheets, Etc |
|
| Hackaday serves up fresh hacks every day from around the Internet. | |
| Instructables is a community for people who enjoy making things. Explore, share, and do your next project with us! | |
| Where the world builds software | |
![]() |
Raspberry Pi Foundation: What would you like to make today? |
Arduino’s mission is to enable anyone to enhance their lives through accessible electronics and digital technologies. |
|
| Wikipedia is a free online Encyclopedia created and edited by volunteers worldwide and hosted by the Wikimedia Foundation. | |
| Notes: |
|
| Weight | N/A |
|---|---|
| Dimensions | N/A |
| Pack Qty | 5 Pack, 10 Pack |
Product Applications
Q & A
Ask a question
There are no questions yet














